

| 產品名稱 | 不銹鋼對夾式止回閥 |
| 產品型號 | |
| 公稱通徑 | DN15-200 |
| 壓力范圍 | 1.6-32MPa |
| 閥體材質 | 鑄鋼丨不銹鋼(304L/R、316L/R) |
不銹鋼對夾式止回閥:
一、對夾式止回閥主要技術參數:
|
型號
|
公稱壓力PN(MPa)
|
試驗壓力PS(MPa)
|
工作溫度(℃)
|
適用介質
|
|
|
殼體
|
密封
|
||||
|
H71W-16P
|
1.6
|
2.4
|
1.76
|
≤200
|
水、蒸體、油品等
|
|
H71H-25Q
|
2.5
|
3.75
|
2.75
|
≤235
|
|
|
H71W-25H
|
≤300
|
||||
|
H71W-25P
|
≤200
|
硝酸等腐蝕性介質
|
|||
|
H71W-40H
|
4.0
|
6.0
|
4.4
|
≤300
|
水、蒸體、油品等
|
|
H71W-40P
|
≤200
|
硝酸等腐蝕性介質
|
|||
|
DN
|
閥體
|
閥瓣
|
彈簧
|
|
H71W-25H、RH71W-40H
|
2Cr13
|
1Cr13
|
1Cr18 Ni9Ti
|
|
H71W-16P、RH71W-25P
|
ZG1Cr18 Ni9Ti
|
1Cr18 Ni9Ti
|
1Cr18 Ni9Ti
|
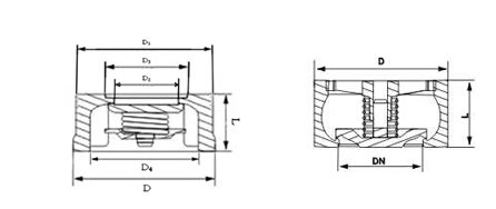
|
公稱壓力
MPa |
公稱通徑
DN |
尺寸(mm)
|
|||||
|
L
|
D1
|
D2
|
D3
|
D4
|
D5
|
||
|
PN1.0MPa
PN1.6MPa |
15
|
16
|
52
|
15
|
24
|
31
|
40
|
|
20
|
19
|
62
|
19
|
30
|
40
|
50
|
|
|
25
|
22
|
72
|
24
|
35
|
47
|
58
|
|
|
32
|
28
|
83
|
31
|
46
|
56
|
68
|
|
|
40
|
31.5
|
93
|
39
|
55
|
66
|
78
|
|
|
50
|
40
|
108
|
48
|
65
|
78
|
90
|
|
|
65
|
46
|
128
|
62
|
80
|
95
|
110
|
|
|
80
|
50
|
142
|
76
|
96
|
110
|
128
|
|
|
100
|
60
|
162
|
95
|
115
|
132
|
150
|
|
|
125
|
90
|
192
|
110
|
125
|
135
|
-
|
|
浙江宇澤閥門有限公司專注于止回閥,為用戶提供不銹鋼對夾式止回閥選型、設計、非標訂制,常規不銹鋼對夾式止回閥咨詢,我們可提供不銹鋼對夾式止回閥相關標準、圖紙、參數、使用說明及原理介紹,方便用戶根據實際需求做出合理的選型。
不銹鋼對夾式止回閥:
一、對夾式止回閥主要技術參數:
|
型號
|
公稱壓力PN(MPa)
|
試驗壓力PS(MPa)
|
工作溫度(℃)
|
適用介質
|
|
|
殼體
|
密封
|
||||
|
H71W-16P
|
1.6
|
2.4
|
1.76
|
≤200
|
水、蒸體、油品等
|
|
H71H-25Q
|
2.5
|
3.75
|
2.75
|
≤235
|
|
|
H71W-25H
|
≤300
|
||||
|
H71W-25P
|
≤200
|
硝酸等腐蝕性介質
|
|||
|
H71W-40H
|
4.0
|
6.0
|
4.4
|
≤300
|
水、蒸體、油品等
|
|
H71W-40P
|
≤200
|
硝酸等腐蝕性介質
|
|||
|
DN
|
閥體
|
閥瓣
|
彈簧
|
|
H71W-25H、RH71W-40H
|
2Cr13
|
1Cr13
|
1Cr18 Ni9Ti
|
|
H71W-16P、RH71W-25P
|
ZG1Cr18 Ni9Ti
|
1Cr18 Ni9Ti
|
1Cr18 Ni9Ti
|
|
公稱壓力
MPa |
公稱通徑
DN |
尺寸(mm)
|
|||||
|
L
|
D1
|
D2
|
D3
|
D4
|
D5
|
||
|
PN1.0MPa
PN1.6MPa |
15
|
16
|
52
|
15
|
24
|
31
|
40
|
|
20
|
19
|
62
|
19
|
30
|
40
|
50
|
|
|
25
|
22
|
72
|
24
|
35
|
47
|
58
|
|
|
32
|
28
|
83
|
31
|
46
|
56
|
68
|
|
|
40
|
31.5
|
93
|
39
|
55
|
66
|
78
|
|
|
50
|
40
|
108
|
48
|
65
|
78
|
90
|
|
|
65
|
46
|
128
|
62
|
80
|
95
|
110
|
|
|
80
|
50
|
142
|
76
|
96
|
110
|
128
|
|
|
100
|
60
|
162
|
95
|
115
|
132
|
150
|
|
|
125
|
90
|
192
|
110
|
125
|
135
|
-
|
|
浙江宇澤閥門有限公司專注于止回閥,為用戶提供不銹鋼對夾式止回閥選型、設計、非標訂制,常規不銹鋼對夾式止回閥咨詢,我們可提供不銹鋼對夾式止回閥相關標準、圖紙、參數、使用說明及原理介紹,方便用戶根據實際需求做出合理的選型。

關注微官網

加微信為好友
Copyright © 2022 浙江宇澤閥門有限公司 All Rights Reserved. 技術支持:溫州網絡公司 網站地圖 XML 浙ICP備12027596號